-
3.0V-18.0V大功率直流电机驱动芯片BDR6125,东莞双向电机驱动IC 持续电流 4.50A,峰值 7.5A
发布时间:2026-01-213.0V-18.0V大功率直流电机驱动芯片BDR6125,双向电机驱动IC 持续电流 4.50A,峰值 7.5A产品概述 BDR6125是一款DC双向电机驱动电路,适用于智能锁、个人护理、宠物电器等电机驱动产品。具有两个逻辑输入端子用来控制...
查看详情 -
SA8304单通道有刷直流电机驱动芯片,东莞H桥驱动芯片,2.0-7.0V 持续电流 3.0A
发布时间:2024-12-03SA8304单通道有刷直流电机驱动芯片,H桥驱动芯片,2.0-7.0V 持续电流 3.0A描述 SA8304是为消费类产品,玩具和其他低压或者电池供电的运动控制类应用提供了一个集成的电机驱动器解决方案。此器件能够驱动一个直流无刷电机,由功率...
查看详情 -
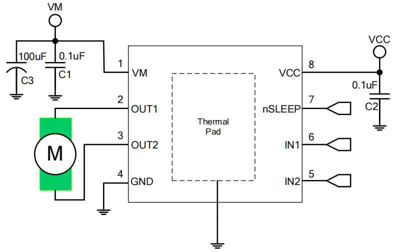
12V 东莞直流电机驱动芯片 BDR6122F
发布时间:2024-06-0612V 直流电机驱动芯片 BDR6122F产品概述 BDR6122F 是一款直流电机驱动芯片,适用于智能锁、智能仪表、阀门等领域。 BDR6122F 输出直流电流达到 1.9A。有两组工作电压:VM 工作范围是 0~12V,VCC 工作范围...
查看详情 -
12V东莞直流电机驱动芯片 BDR6122F
发布时间:2024-04-2912V直流电机驱动芯片 BDR6122F产品概述 BDR6122F 是一款直流电机驱动芯片,适用于智能锁、智能仪表、阀门等领域。 BDR6122F 输出直流电流达到 1.9A。有两组工作电压:VM 工作范围是 0~12V,VCC 工作范围是...
查看详情 -
双通道东莞有刷直流电机驱动芯片TC1508A
发布时间:2024-04-14双通道有刷直流电机驱动芯片TC1508A概述 该产品应用于各种具有马达正反转驱动的产品比如遥控玩具车仔、电动牙刷等。电路内部集成了采用 N 沟道和 P 沟道功率 MOSFET 设计的 H 桥驱动电路,适合于驱动有刷直流马达或者驱动步进马达的...
查看详情 -
25V高压直流东莞电机驱动芯片有那些?SA8345驱动芯片怎么样
发布时间:2024-02-2925V高压直流电机驱动芯片有那些?SA8345驱动芯片怎么样Description The SA8345 is one channel H-Bridgedriver IC, it provides integratedmotor-dri...
查看详情



服务热线
公司地址:
公司邮箱: