-
XR8141B 东莞双通道LED驱动芯片, 线性恒流驱动,单路最大恒流500mA,双路并联可达1A
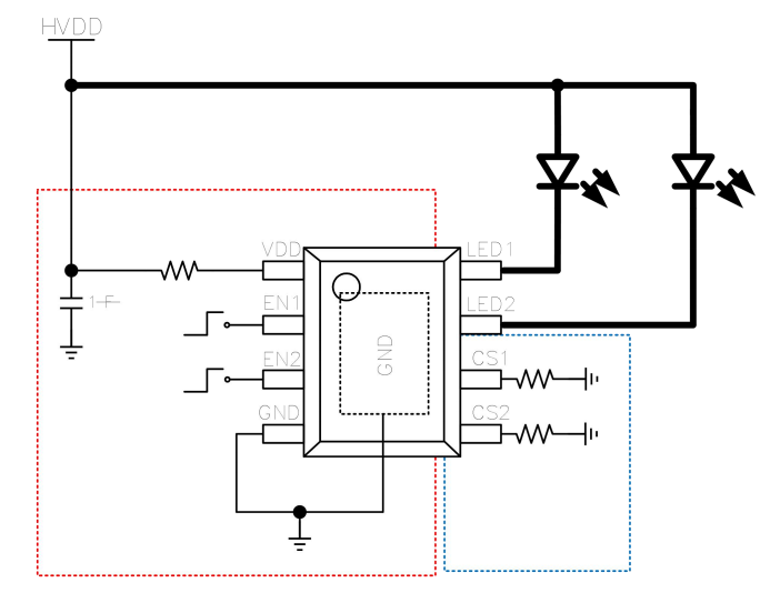
发布时间:2026-01-05XR8141B 双通道LED驱动芯片, 线性恒流驱动,单路最大恒流500mA,双路并联可达1A1.产品特点*3.7V~18V 宽电压工作*最低工作电压3.7V,支持电池供电*芯片关闭时 ,静态电流仅0.6uA*单路最大恒流500mA,双路并...
查看详情
XR8141B 双通道LED驱动芯片, 线性恒流驱动,单路最大恒流500mA,双路并联可达1A1.产品特点*3.7V~18V 宽电压工作*最低工作电压3.7V,支持电池供电*芯片关闭时 ,静态电流仅0.6uA*单路最大恒流500mA,双路并...
查看详情